306INsIDe Index du Forum
:: Menu :.
Se connecter pour v&eacuterifier ses messages priv&eacutesMes Messages
ProfilMon Profil
RechercherRechercher
Liste des MembresListe des Membres
viewonline.php?sid=135800fcf9a97e482f4966ce771c1dc5Qui est en ligne ?
Groupes d'utilisateursGroupes
S'enregistrerS'enregistrer
Connexion(Dé)Connexion

:: Navigation :.
Site 306Inside
Forum 306Inside
Page Facebook
Groupe Facebook

:: Pub :.


:: Docs :.
FAQRèglement
FAQFAQ

:: Sur le forum :.


Le record du nombre d'utilisateurs en ligne est de 11884 le 05 05 2026 20:45

[Résolu] d'étanchéité d'une sonde


 
Poster un nouveau sujet   R&eacutepondre au sujet    306INsIDe Index du Forum -> Moteur - Mécanique
_/!\_~ Infos importantes à lire ~_/!\_
 
En mai, fais ce qu'il te plait ...
 

Voir le sujet précédent :: Voir le sujet suivant  
Auteur Message
Guillaume bleu

Novice




Statut: Absent

Inscrit le: 20 Déc 2010
Messages: 133

MessagePosté le: 18 10 2016 2:58    Sujet du message: [Résolu] d'étanchéité d'une sonde R&eacutepondre en citant

Bonjour à tous,

J'envisage de mettre une sonde de température d'huile à un emplacement prévu pour ça, sur le carter d'huile.
Or, je suis étonné que la sonde ait une forme conique juste sous la tête de la vis (voir photo), et j'ai peur que ça provoque une mauvaise étanchéité, et qu'il y ait une fuite d'huile.

C'est normal ça?

Pour l'instant, il y a un bouchon, avec un joint de cuivre, et il a sûrement pas cette forme conique...

Bref, grosse question

306 2.0 16s 135cv BVA AL4



sonde.jpg, 30.02 KB
Vues 259 fois
Revenir en haut de page
Voir le profil de l'utilisateur Envoyer un message privé
messiah93

Super Pro


Genre: Genre:Masculin

Statut: Absent
Age: 32
Inscrit le: 03 Juin 2014
Messages: 1210
Localisation: Royaume de Belgique: Liège

MessagePosté le: 18 10 2016 12:56    Sujet du message: R&eacutepondre en citant

Salut,

Je suppose que c'est normal oui. Peut être que le cône entre dans le filletage et qu'il ne gêne pas. Ensuite, je suppose qu'un joint vient se foutre sur la portée, tu peux tester à la limite à ton prochain entretien.

Sinon, si t'as peur des fuites, y a toujours le teflon c'est mon copain depuis que mon bouchon de vidange est plus étanche même avec un nouveau joint et serré au couple.

_________________
Revenir en haut de page
Voir le profil de l'utilisateur Envoyer un message privé Visiter le site web de l'utilisateur
JaY

Administrateur
Administrateur


Genre: Genre:Masculin

Statut: Absent
Age: 46
Inscrit le: 13 Nov 2003
Messages: 9392
Localisation: NYC

MessagePosté le: 18 10 2016 17:58    Sujet du message: R&eacutepondre en citant

Peut être des infos intéressantes pour toi par là : http://306inside.com/forum/viewtopic.php?t=69161

Revenir en haut de page
Voir le profil de l'utilisateur Envoyer un message privé
Guillaume bleu

Novice




Statut: Absent

Inscrit le: 20 Déc 2010
Messages: 133

MessagePosté le: 18 10 2016 20:12    Sujet du message: R&eacutepondre en citant

Merci pour vos réponses

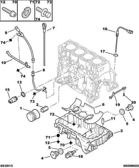
Peut-être effectivement que le cône rentre dans le carter... (sonde = numéro 18 )

Sur le dessin, on dirait qu'il faut un joint seulement lorsqu'il y a le bouchon?? Dans ce cas, on pourrait croire qu'il faut le joint parce que le bouchon n'a pas la forme en cône, et que sinon il n'y en a pas besoin...

Je me gourre là?



carter XU10j4r.jpg, 45.5 KB
Vues 252 fois
Revenir en haut de page
Voir le profil de l'utilisateur Envoyer un message privé
306XU10

Moderateur
Moderateur


Genre: Genre:Masculin

Statut: Absent
Age: 46
Inscrit le: 25 Aoû 2011
Messages: 7219
Localisation: Daily: 306 break/loisir:106 swap

MessagePosté le: 14 11 2016 10:30    Sujet du message: R&eacutepondre en citant

exactement, sur le schéma avec sonde pas de joint.
tu as raison

_________________
Sortie circuits

Composites 2J
https://www.composites2j.fr/catalogue/
Revenir en haut de page
Voir le profil de l'utilisateur Envoyer un message privé
Montrer les messages depuis:   
Poster un nouveau sujet   R&eacutepondre au sujet    306INsIDe Index du Forum -> Moteur - Mécanique Toutes les heures sont au format GMT + 2 Heures
Page 1 sur 1



 
Sauter vers:  
Vous ne pouvez pas poster de nouveaux sujets dans ce forum
Vous ne pouvez pas répondre aux sujets dans ce forum
Vous ne pouvez pas éditer vos messages dans ce forum
Vous ne pouvez pas supprimer vos messages dans ce forum
Vous ne pouvez pas voter dans les sondages de ce forum
Vous pouvez envoyer des fichiers dans ce forum
Vous pouvez télécharger les fichiers de ce forum


© 2003, 2017 306Inside.com - Tous droits réservéss