|
 |
|
Bonsoir à tous
Alors on a essayé de démarrer ma 306 dont le moteur sort de refection voir post dans présentation.
Visiblement on a un gros souci, car l'anti démarrage qui avant s'éclairait rouge puis vert une fois le code tapé là il éclair rouge et vert en même temps. Et quand je tourne la clé nous n'entendons pas du tout le démarreur juste la pompe à essence
On a vérifié les masses et le faisceau on trouve rien de particulier quelqu'un aurait une idée ou procédure ? |
|
|
 |
|
| Je précise démarreur neuf, batterie neuve |
|
|
 |
|
En connectant le moins de la batterie directement au bloc, le démarreur tourne entraine le moteur par contre ça ne démarre pas, ça pète même pas un peu
Les bougies ont l'air sèche mais l'essence arrive bien à la rampe. Les injecteurs sont neufs
Savez vous comment remettre en route l'anti démarrage après long periode d'immobilisation ?
J'ai toujours les 2 voyants allumés rouge et vert et non rouge puis code puis vert |
|
|
 |
|
| Je pensais au relais double vers le calculateur qu'en pensez vous ? |
|
|
 |
|
Up parce que j'ai vraiment besoin d'aide là ....ça serait bien de donner vos idées même si ça marche pas...
On a changé le relais double mais pas mieux
Les 2 voyants signifient absence de communication entre clavier et calculateur, mais est ce du à une tension ou masse absente ? à un relais ou fusible cramé ?
J'aimerais sincèrement que vous m'aidiez... |
|
|
 |
|
Bonsoir,
PB de masse ?
Si le calculateur reste bloqué malgré le code entré, faudrait la passer au diag, tu verrai le défaut; j'ai eu un PB de clé une fois, la voiture ne démarrait pas, c'était répertorié dans les défauts. |
|
|
 |
|
Oui le souci c'est que là y'a pas de transpondeur, c'est un clavier codé
Le pb de masse a été résolu en tous les cas sur le démarrage, juste toujours pas de lien entre clavier boitier... |
|
|
 |
|
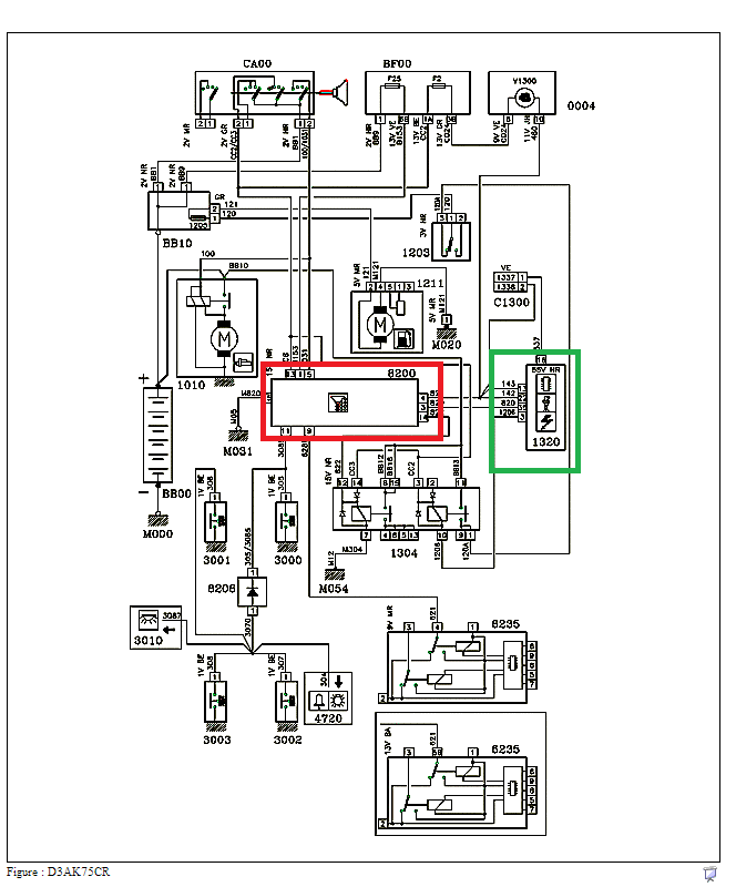
Voila le schéma de l'antidémarrage codé
mon idée est de testé la continuité du contact entre le fil 4-3 ( carré rouge clavier) au fil 22-34 ( carré vert calculateur)
La resistance d'un contact à l'autre devrait être minime ai je raison ou pas ?
|
|
|
 |
|
Est ce que quelqu'un peut au moins me dire si le relais double doit claquer à la mise en contact ( sans démarrer et sans entrer le code antidémarrage)
... |
|
|
 |
|
| Merci de votre aide vous pouvez supprimer mon post je me débrouillerai tout seul |
|
|
 |
|
T'agace pas, tout le monde fait le pont,
revérifie les connexions et surtout essaye de la passer avec PP2000 |
|
|
 |
|
Je peux pas bouger l'auto, elle est sur cale, si quelqu'un à un shunt correct je veux bien j'ai testé les continuités tout à l'air ok
J'ai vu certains shuntait ça mais ça me fait un peu sachant que sur la borne 4 contact mis y'a du 12v
Ca fait 3 jours que je suis dessus et je peux pas avancer... |
|
|
 |
|
Est ce que quelqu'un peut faire une verification, ça prends 3 sec, est ce que le voyant autodiag ( voyant orange K) s'allume avant de rentrer le code dans l'antidémarrage ou pas ?
car je n'ai pas de voyant autodiag qui s'allume |
|
|
 |
|
A mon avis, tu n'auras pas le choix que de la faire brancher pour faire un raz défait et une initialisation de l'antidémarrage.
Quelle mince ce clavier d'origine... |
|
|
 |
|
| Problème résolu ! A cloturer |
|
|
 |