|
|
|
 |
|
Bonjour à tous,
J'envisage de mettre une sonde de température d'huile à un emplacement prévu pour ça, sur le carter d'huile.
Or, je suis étonné que la sonde ait une forme conique juste sous la tête de la vis (voir photo), et j'ai peur que ça provoque une mauvaise étanchéité, et qu'il y ait une fuite d'huile.
C'est normal ça?
Pour l'instant, il y a un bouchon, avec un joint de cuivre, et il a sûrement pas cette forme conique...
Bref, grosse question
306 2.0 16s 135cv BVA AL4
|
|
|
 |
|
Salut,
Je suppose que c'est normal oui. Peut être que le cône entre dans le filletage et qu'il ne gêne pas. Ensuite, je suppose qu'un joint vient se foutre sur la portée, tu peux tester à la limite à ton prochain entretien.
Sinon, si t'as peur des fuites, y a toujours le teflon c'est mon copain depuis que mon bouchon de vidange est plus étanche même avec un nouveau joint et serré au couple.
|
|
|
 |
|
|
 |
|
Merci pour vos réponses
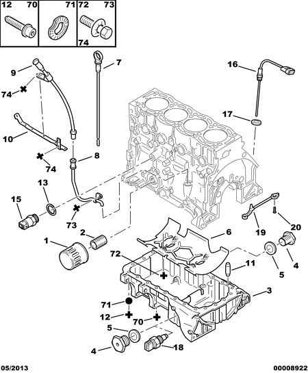
Peut-être effectivement que le cône rentre dans le carter... (sonde = numéro 18 )
Sur le dessin, on dirait qu'il faut un joint seulement lorsqu'il y a le bouchon?? Dans ce cas, on pourrait croire qu'il faut le joint parce que le bouchon n'a pas la forme en cône, et que sinon il n'y en a pas besoin...
Je me gourre là ?
|
|
|
 |
|
exactement, sur le schéma avec sonde pas de joint.
tu as raison
|
|
|
 |
 |
© 2003, 2016 306Inside.com - Tous droits réservés
|