|
 |
|
Bonjour à tous,
Je voudrais mettre un caisson dans la 306 mais je ne sais pas quoi prendre exactement pour avoir un beau son, j'ai un budget limité donc en gros 200 euros pour le tout grand grand maximum serait pas mal sachant que j'ai déjà le câblage.
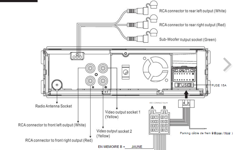
Au passage, j'aimerai savoir à quoi sert :
RCA connector to rear left output (White)
RCA connector to rear right output (Red)
Sub-Woofer output socket (Green)
|
|
|
 |
|
Salut,
Niveau sono, t'as beaucoup de choix, énormément de choix.. Tout dépend de la puissance et de la qualité que tu veux. Même si j'ai une énorme préférence pour Hertz-Audio, mais c'est hors de ton budget à moins que tu trouves de l'occaz, mais c'est du très très bon matos, ce que j'ai actuellement, probablement un des meilleur dans son domaine, très bon ratio db/w (mon ampli est un Hertz H230 qui à 11 ans et qui fonctionne encore parfaitement, malgré ce qu'il doit encaisser avec moi).
Plusieurs paramètres à prendre en compte:
- Le nombre de subs et d'ampli: Ici pour ton budget et , je suppose ce sera un seul ampli pour un seul sub.
- La taille du sub: Les tailles passent en général par 25, 30 et 38cm en général. Comme tu t'en doute, il te faut un caisson adapté au litrage de ton sub, jte conseille donc d'acheter un sub dans son caisson d'origine, ils sont optimisés pour un meilleur rendu (litrage).
- L'impédance: Il te faudra choisir un sub et un ampli qui sont en harmonie niveau impédance. L'impédance, c'est la résistance interne de la bobine du sub, c'est très important de bien choisir, car y en a beaucoup trop qui grillent leur sub/ampli car ils ont mal respecté l'impédance. Pour te donner un exemple, si ton ampli délivre 1x250w à 4Ohms (ohm=impédance), il est préférable de prendre un sub qui se rapproche de cette puissance (ou moins) et surtout à pareille impédance.
Après, pour tes questions, les RCA White & Red sont tout simplement les sorties préamplifiées stéréo de ton autoradio en non filtrées, ce qui veut dire que le signal qui sort de ces fiches et celui comportes basses, moyennes et hautes fréquences.
L'output socket, c'est une sortie préamplifiée mono qui véhicule le signal basse fréquence (modifiable sur l'autoradio) pour le subwoofer, pas de basse ni de haute fréquence donc.
Très rares sont les amplis qui utilisent les sorties mono (2 ème donc), personnellement, je n'en ai jamais vu dans le domaine de l'automobile (ou très peu).
En général, tu as la sortie stéréo haut parleurs RCA (rouges & noir) & tu as les sorties stéréo subwoofer (2x noires ou blanches).
Sinon, niveau marques de sono (ampli & sub) avec un bon rapport qualitéprix, pour t'aider, tu as: Sony, Pioneer, MTX, JBL et j'en passe.
A condition que tu ailles pas chercher le jackhammer de chez MTX biensûr, car toutes les marques ont leur gammes de haut prix et bas prix
J'espère ne pas avoir dit de conneries, j'suis un peu claqué dirons nous
|
|
|
 |
|
Ben voilà , je dois déjà me rectifier
* L'output socket, c'est une sortie préamplifiée mono qui véhicule le signal basse fréquence (modifiable sur l'autoradio) pour le subwoofer, pas de moyennes ni de haute fréquence donc en dessous de 250Hz donc).
|
|
|
 |
|
Salut,
Merci à toi pour tes réponses, je sais ce que je vais prendre en fin de compte, j'en ai pour 250 euros avec le kit éclaté pour l'avant puis je vendrais mon autoradio pour en acheter une autre ! :) Merci encore !
|
|
|
 |
 |
© 2003, 2016 306Inside.com - Tous droits réservés
|