306INsIDe Index du Forum


.: Se connecter pour v&eacuterifier ses messages priv&eacutesMes Messages :.

[Résolu] d'étanchéité d'une sonde

 
Poster un nouveau sujet   R&eacutepondre au sujet Moteur - Mécanique
Par Guillaume bleu le 18 10 2016 2:58  R&eacutepondre en citant

Bonjour à tous,

J'envisage de mettre une sonde de température d'huile à un emplacement prévu pour ça, sur le carter d'huile.
Or, je suis étonné que la sonde ait une forme conique juste sous la tête de la vis (voir photo), et j'ai peur que ça provoque une mauvaise étanchéité, et qu'il y ait une fuite d'huile.

C'est normal ça?

Pour l'instant, il y a un bouchon, avec un joint de cuivre, et il a sûrement pas cette forme conique...

Bref, grosse question

306 2.0 16s 135cv BVA AL4



sonde.jpg, 30.02 KB
Vues 254 fois
Voir le profil de l'utilisateur Envoyer un message privé
Par messiah93 le 18 10 2016 12:56  R&eacutepondre en citant

Salut,

Je suppose que c'est normal oui. Peut être que le cône entre dans le filletage et qu'il ne gêne pas. Ensuite, je suppose qu'un joint vient se foutre sur la portée, tu peux tester à la limite à ton prochain entretien.

Sinon, si t'as peur des fuites, y a toujours le teflon c'est mon copain depuis que mon bouchon de vidange est plus étanche même avec un nouveau joint et serré au couple.
Voir le profil de l'utilisateur Envoyer un message privé Visiter le site web de l'utilisateur
Par JaY le 18 10 2016 17:58  R&eacutepondre en citant

Peut être des infos intéressantes pour toi par là : http://306inside.com/forum/viewtopic.php?t=69161

Voir le profil de l'utilisateur Envoyer un message privé
Par Guillaume bleu le 18 10 2016 20:12  R&eacutepondre en citant

Merci pour vos réponses

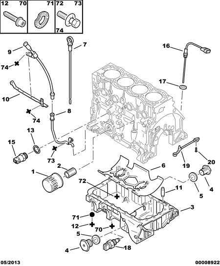
Peut-être effectivement que le cône rentre dans le carter... (sonde = numéro 18 )

Sur le dessin, on dirait qu'il faut un joint seulement lorsqu'il y a le bouchon?? Dans ce cas, on pourrait croire qu'il faut le joint parce que le bouchon n'a pas la forme en cône, et que sinon il n'y en a pas besoin...

Je me gourre là?



carter XU10j4r.jpg, 45.5 KB
Vues 247 fois
Voir le profil de l'utilisateur Envoyer un message privé
Par 306XU10 le 14 11 2016 10:30  R&eacutepondre en citant

exactement, sur le schéma avec sonde pas de joint.
tu as raison
Voir le profil de l'utilisateur Envoyer un message privé
R&eacutepondre au sujet



 


© 2003, 2016 306Inside.com - Tous droits réservés