306INsIDe Index du Forum
:: Menu :.
Se connecter pour v&eacuterifier ses messages priv&eacutesMes Messages
ProfilMon Profil
RechercherRechercher
Liste des MembresListe des Membres
viewonline.phpQui est en ligne ?
Groupes d'utilisateursGroupes
S'enregistrerS'enregistrer
Connexion(Dé)Connexion

:: Navigation :.
Site 306Inside
Forum 306Inside
Page Facebook
Groupe Facebook

:: Pub :.


:: Docs :.
FAQRèglement
FAQFAQ

:: Sur le forum :.


Le record du nombre d'utilisateurs en ligne est de 2948 le 10 08 2025 6:26

[306 1.9TD] Diagnostic arrêt moteur

Aller à la page 1, 2  Suivante
 
Poster un nouveau sujet   R&eacutepondre au sujet    306INsIDe Index du Forum -> Moteur - Mécanique
_/!\_~ Infos importantes à lire ~_/!\_
 
En mai, fais ce qu'il te plait ...
 

Voir le sujet précédent :: Voir le sujet suivant  
Auteur Message
steeepph

Grand Amateur




Statut: Absent

Inscrit le: 14 Fév 2010
Messages: 534
Localisation: Toulouse

MessagePosté le: 20 04 2020 23:27    Sujet du message: [306 1.9TD] Diagnostic arrêt moteur R&eacutepondre en citant

Hello,

J'ai eu un problème avec mon 1.9TD (D8A) qui m'a lâché il y a quelques années (pas eu le temps de m'en occuper avant ce cher confinement... )
- en 5ème sur autoroute à 120km/h
- température du liquide de refroidissement un peu élevée (il faisait assez chaud ce jour-là et j'ai tjrs eu un soucis de consommation de LDR...) mais visiblement pas dans le rouge
- aucun bruit précurseur avant ou après
- aucune fumée à l'échappement avant ou après
- arrêt brutal du moteur mais pas de blocage de roue
Après m'être arrêté:
- j'ai tenté de laisser refroidir le moteur puis de redémarrer => échec
- le dépanneur est arrivé et a tenté de démarrer la voiture avec du spray (j'ai oublié le nom) => échec

Je savais que ma culasse fatiguée par le temps (385000km) et surtout par le fait que je consommais depuis quelques années du LDR. J'ai donc déculassé récemment pour voir d'où pouvait venir le problème, mais j'avoue que mes compétences de diagnostic sont assez limités même si des fissures ici et là sont bien visibles: voici les photos du vestige...
Sachant que ma question reste malgré tout ouverte: est-ce que selon vous c'est bien la culasse qui a lâché, ou est-ce peut-être autre chose ?

Merci à vous !



bloc moteur.jpg, 2.62 MB
Vues 617 fois

culasse (pas nettoye?e).jpg, 2.49 MB
Vues 500 fois

culasse (nettoye?e).jpg, 2.56 MB
Vues 502 fois

joint culasse.jpg, 2.5 MB
Vues 433 fois
Revenir en haut de page
Voir le profil de l'utilisateur Envoyer un message privé
RHY

Maitre


Genre: Genre:Masculin

Statut: Absent

Inscrit le: 13 Mar 2008
Messages: 6701

MessagePosté le: 22 04 2020 9:16    Sujet du message: R&eacutepondre en citant

Bonjour

Déjà dans un premier temps on aperçoit que ton bas moteur est rempli de rouille,cela voudrait dire cette voiture roulait avec un liquide de refroidissement très vieux,tu devras dans un premier temps faire un bon rinçage du bloc moteur,la vis de vidange se trouve en bas et derrière le bloc moteur,il faut bien comprendre que pour bosser sur un moteur il faut la revue technique,ce n'est pas au pifomètre.

De plus lorsqu'un XUD s’arrête brutalement avec une distribution encore en état et des compressions corrects,(2)on vérifie le bon fonctionnement de l'électrovanne afin de savoir si le gasoil arrive correctement dans la pompe,on vérifie les tuyaux des injecteurs.
Ensuite si cela ne se passe bien on vérifie (1)le circuit basse pression,c'est lui qui fait la jonction entre le réservoir de gasoil et la pompe distributrice,de plus un filtre colmaté peut causer une panne subite,une crépine de réservoir aussi..
Dans l'exemple plus haut,il est possible de faire le l'étape(2) avant l'étape (1)
Il est clair que si ton dépanneur met du start pilot et si l'électrovanne ne fonctionne pas,il est peu probable que le moteur démarre....le produit qu'il a utilisé c'est du start pilot,c'est un produit à la c..n qu'apprécie énormément les américains()

Bref concernant ta culasse et désolé pour ma franchise,on est pas devin,il faudra faire un contrôle chez un spécialiste,il va faire une épreuve de la culasse,les différents contrôles et si cela se passe bien une remise en état,il faut prévoir un beau billet car ces opérations sur la culasse coutent une blinde...
De plus avant d'aller plus loin tu dois contrôler ton bas moteur,voir aussi si les pistons segments sont bien étanches,un contrôle de la planéité du bloc moteur afin de voir si tout est plat,tu dois aussi faire le dépassement des pistons,la RTA le mentionne je n'invente rien et pour l'avoir fait ce n'est pas une sinécure... le rectifieur te donnera des conseils et te préconisera une épaisseur de joint de culasse,il est impératif de lui emmener l'ancien joint de culasse car dessus il y a des repères qui donnent l'épaisseur du joint actuel.

En clair la mécanique est un vrai métier et tu auras absolument besoin de concentration d'une bonne revue technique car si c'est ton premier coup d'essai,la moindre erreur peut être fatale pour le moteur,je présume que si tu as fait un déculasse,tu sais ce que tu fais....

_________________
Si PSA n'existait pas le monde automobile serait tellement insipide.
Revenir en haut de page
Voir le profil de l'utilisateur Envoyer un message privé
RHY

Maitre


Genre: Genre:Masculin

Statut: Absent

Inscrit le: 13 Mar 2008
Messages: 6701

MessagePosté le: 22 04 2020 9:25    Sujet du message: R&eacutepondre en citant

Plus haut tu parlais de fissures sur la culasse et rien que le remplacement des préchambres,tu pleures tellement ça coute....car les préchambres avec l'usage se fissurent dans le temps...tout ceci en espérant que la culasse soit encore en état.
C'est pour cela que beaucoup préfère prendre un moteur d'occasion que d'investir dans la réfection partielle d'un moteur fort kilométré....même si le D8A est réputé increvable contrairement au DHY.

_________________
Si PSA n'existait pas le monde automobile serait tellement insipide.
Revenir en haut de page
Voir le profil de l'utilisateur Envoyer un message privé
steeepph

Grand Amateur




Statut: Absent

Inscrit le: 14 Fév 2010
Messages: 534
Localisation: Toulouse

MessagePosté le: 22 04 2020 21:18    Sujet du message: R&eacutepondre en citant

Salut, et merci pour ta réponse ! Effectivement avec tes explications l'électrovanne ou arrivée de gazole pourrait être en cause... Après j'ai souvent eu des problème de chauffe l'été et même si l'origine de l'arrêt vient de là, je pense que ma culasse doit

Yes, j'ai ce qu'il faut niveau RTA.

En te lisant, je vais effectivement tester les deux choses que tu mentionnes:
(1) on vérifie le circuit basse pression:
=> pour ça je vérifie qu'en sortie du filtre à gazole (point 5) j'ai bien du gazole qui sort sans bulle d'air lorsque j'actionne la poire ? (comme après une vidange quoi)


(2) on vérifie le bon fonctionnement de l'électrovanne afin de savoir si le gasoil arrive correctement dans la pompe,on vérifie les tuyaux des injecteurs:
=> pour ça je dévisse chacun des tuyaux des injecteur pour voir si l'en sort du gazole ? Y a moyen de tester ça moteur ouvert ? J'avoue ne pas trop savoir comment "activer" la pompe à injection comme ça là... En regardant rapidement la RTA, ils parlent d'actionner le "levier de pompe" mais pas de schéma associé, une idée ?
Revenir en haut de page
Voir le profil de l'utilisateur Envoyer un message privé
steeepph

Grand Amateur




Statut: Absent

Inscrit le: 14 Fév 2010
Messages: 534
Localisation: Toulouse

MessagePosté le: 22 04 2020 21:19    Sujet du message: R&eacutepondre en citant

Oups, problème de fin de phrase...

je pense que ma culasse doit commencer à sentir la fin !
Revenir en haut de page
Voir le profil de l'utilisateur Envoyer un message privé
RHY

Maitre


Genre: Genre:Masculin

Statut: Absent

Inscrit le: 13 Mar 2008
Messages: 6701

MessagePosté le: 24 04 2020 9:41    Sujet du message: R&eacutepondre en citant

Moteur ouvert tu peux dans un premier temps tester le fonctionnement de l'électrovanne de la pompe,le principe de fonctionnement de l'électrovanne est comme un "électroaimant",en mettant le contact,la tige à l'intérieur se déplace et laisse passer le gasoil cela fonctionne comme une "vanne électronique" par contre pour tester la distribution du gasoil vers les injecteurs,il faut que le moteur soit en état de marche,donc c'est une opération que tu pourras faire après le montage de la culasse et de la distribution,étant donné que c'est la courroie de distribution qui entraine la poulie de la pompe distributrice de gasoil.
Plus haut lorsque je dis mettre le contact,je pense que tu as compris qu'il faut mettre le plus après contact,tu peux aussi contrôler si le +12V arrive bien sur le fil électrique de l'électrovanne,le +12V ne doit toucher aucune masse,la partie extérieur de l'électrovanne est relié à la masse(-) et tout ce qui est relié à la batterie au niveau du plot(-) de la batterie,pour cela tu auras besoin d'un multimètre en position DC 12V(Tension continue).
Bien entendu il est possible de démonter l'électrovanne,bien faire attention car dedans il y a un ressort...il faut faire attention au joint pour l'étanchéité,c'est pour cela qu'il est impératif de tester la partie électrique avant d'incriminer l'électrovanne.

Bon courage

_________________
Si PSA n'existait pas le monde automobile serait tellement insipide.
Revenir en haut de page
Voir le profil de l'utilisateur Envoyer un message privé
RHY

Maitre


Genre: Genre:Masculin

Statut: Absent

Inscrit le: 13 Mar 2008
Messages: 6701

MessagePosté le: 24 04 2020 9:53    Sujet du message: R&eacutepondre en citant

Chose importante lors de tes essais électriques,il faut impérativement éviter les courts-circuits,aucune masse ne doit toucher un plus,il faut faire gaffe aux fils des bougies de préchauffage,du démarreur...
En sachant que le moteur est relié à la masse,idem la boite avec la tresse de masse.....et sur les fils des bougies de préchauffage c'est du +12v,attention aussi aux fils du démarreur,il faut bien faire une isolation avant les tests électrique,toute intervention à côté d'une batterie demande l'utilisation d'une lunette de protection pour les yeux,une batterie reste un élément sensible.

_________________
Si PSA n'existait pas le monde automobile serait tellement insipide.
Revenir en haut de page
Voir le profil de l'utilisateur Envoyer un message privé
steeepph

Grand Amateur




Statut: Absent

Inscrit le: 14 Fév 2010
Messages: 534
Localisation: Toulouse

MessagePosté le: 25 04 2020 11:13    Sujet du message: R&eacutepondre en citant

Ça marche, je vais tester ça prudemment !

Entre temps j'ai cherché des moteurs sur Leboncoin et compagnie, et en discutant avec une connaissance il y aurait peut-être un moyen que je me dégote un DHY à vrmt pas cher et avec peu de bornes (50000km)
J'ai bien vu sur les forum qu'avec ce bloc c'était un peu là loterie, mais que si on virait la vanne EGR (en remplaçant même toute la partie collecteur d'échappement par mon D8A) ça pouvait qu'améliorer la fiabilité/performance (apparemment y a des problèmes d'encrassement avec cette vanne ?). S'il n'est pas trop cher cela peut valoir le coup pour avoir des pièces de rechange ? Ou à utiliser directement ?
Revenir en haut de page
Voir le profil de l'utilisateur Envoyer un message privé
steeepph

Grand Amateur




Statut: Absent

Inscrit le: 14 Fév 2010
Messages: 534
Localisation: Toulouse

MessagePosté le: 14 05 2020 18:35    Sujet du message: R&eacutepondre en citant

Hello !

Je reviens aux nouvelles ! J'ai donc pu récupérer un DHY (+ boite) avec peu de kilomètres (50000km) pour vraiment pas grand chose (moins de 200€ !) !!!

J'ai direct viré la vanne EGR qui était un peu encrassée ! D'ailleurs, j'ai vu que sur la pompe à injection il y avait tout plein de petit truc en plus par rapport à mon ancienne pompe Lucas (cf. image en fin de message):
- petit vérin qui empêche la mise en butée de l'accélérateur en position ralentit: c'est là pour palier au fait qu'avec la vanne EGR le ralentit doit être un peu supérieur ? ça peut être dégagé sans risque ?
- un petit contacteur/interrupteur qui s’enclenche dès que l'accélérateur n'est plus en position ralentit et un connecteur supplémentaire (j'imagine pour le petit contactateur): idem, ça peut être dégagé sans risque ?

Ensuite distri + pompe à eau dès que je reçois les pièces !

Sinon je dois faire un petit swap du support d'alternateur/accessoires/carter d'huile car j'ai une version avec clim...

Des conseils en particulier que je pourrais faire tant que le moteur est hors véhicule ? J'ai pensé à changer l'embrayage mais vu le peu de bornes du moteur, je sais pas si cela peut-être utile ? (j'ai pas réussi à avoir d'info sur son état )



IMG_20180712_163907.jpg, 440.11 KB
Vues 495 fois
Revenir en haut de page
Voir le profil de l'utilisateur Envoyer un message privé
RHY

Maitre


Genre: Genre:Masculin

Statut: Absent

Inscrit le: 13 Mar 2008
Messages: 6701

MessagePosté le: 15 05 2020 7:43    Sujet du message: R&eacutepondre en citant

Salut

J'espère pour toi que tu auras de la chance car le DHY avait la réputation d'avoir les bielles fragiles.

_________________
Si PSA n'existait pas le monde automobile serait tellement insipide.
Revenir en haut de page
Voir le profil de l'utilisateur Envoyer un message privé
steeepph

Grand Amateur




Statut: Absent

Inscrit le: 14 Fév 2010
Messages: 534
Localisation: Toulouse

MessagePosté le: 15 05 2020 10:11    Sujet du message: R&eacutepondre en citant

es-tu en train de me suggérer de changer les bielles avec celui de mon D8A ?
Revenir en haut de page
Voir le profil de l'utilisateur Envoyer un message privé
RHY

Maitre


Genre: Genre:Masculin

Statut: Absent

Inscrit le: 13 Mar 2008
Messages: 6701

MessagePosté le: 16 05 2020 11:47    Sujet du message: R&eacutepondre en citant

steeepph a écrit:
es-tu en train de me suggérer de changer les bielles avec celui de mon D8A ?


Je ne parle que de chose que j'ai entendu et que j'ai vu,si j'en parle c'est qu'on dit que
le bloc moteur DHX est un dérivé du DHY,j'ai déjà vu un bas moteur de DHX complètement explosé par une bielle qui s'était fait la malle et je peux te dire que c'est une vision d'horreur,ce n'est pas beau à voir,c'était le DHX d'un client d'un de mes contacts.
Ensuite tu sais ce que tu fais,c'est ta responsabilité mais si c'était moi et si j'avais un D8A,j'aurais remis un D8A.

Mais si cela t'arrive au moins tu seras au courant....moi avec ma pauvre chance,j'évite de prendre des risques.

_________________
Si PSA n'existait pas le monde automobile serait tellement insipide.
Revenir en haut de page
Voir le profil de l'utilisateur Envoyer un message privé
RHY

Maitre


Genre: Genre:Masculin

Statut: Absent

Inscrit le: 13 Mar 2008
Messages: 6701

MessagePosté le: 16 05 2020 12:07    Sujet du message: R&eacutepondre en citant

Voici un ancien lien du forum qui en parle:
http://www.306inside.com/forum/viewtopic.php?t=14963&sid=6c56fb186f48ddb127e7205380f23291http:

Ensuite chacun sa propre expérience,le moteur que je connais bien c'est le A8A,selon moi c'est lui l'indestructible,on le trouve sur les 205 TD,les premières 405 TD et les BX TurboD,j'en connais un qui a déjà pris des watts en flirtant avec un régime moteur que la morale réfute pour un *XUD7T(5100 tr/min).....mais dessus c'est vidange de l'huile vers les 5000 km.

_________________
Si PSA n'existait pas le monde automobile serait tellement insipide.
Revenir en haut de page
Voir le profil de l'utilisateur Envoyer un message privé
steeepph

Grand Amateur




Statut: Absent

Inscrit le: 14 Fév 2010
Messages: 534
Localisation: Toulouse

MessagePosté le: 17 05 2020 23:13    Sujet du message: R&eacutepondre en citant

Merci pour les infos, en fait le souci est que j'ai peu confiance en la culasse du D8A qui est, je pense, dead. Du coup il aurait fallu que je trouve une nouvelle culasse mais du coup mettre la culasse du DHY sur le D8A n'est pas nécessairement une bonne idée vu que les préchambres du premier sont fragiles ?
Bon je pense que je vais quand même partir avec le DHY, il a carrément moins de bornes que le D8A (même si j'entends ton propos qu'il est increvable ) et ça sera plus une voiture pour les weekends et balades (je vais au taf à vélo).

Sinon petite question, je suis en train de faire une commande pour différents joints & cie, et je n'arrive pas à trouver la durite n°16 du schéma suivant:


Le numéro OEM correspondant selon la doc Peugeot est: 1307FN ou 1307FZ. J'ai tenté Oscaro, Yakarouler, Autodoc, Ebay, Leboncoin, mais rien trouvé ! Et j'ai bien cette durite sur mon moteur:


J'ai trouvé d'autres durites qui s'en rapprocheraient un peu mais avec des numéros OEM différent:
- 1351M3 https://www.auto-doc.fr/stc/12172685
- 1307JE https://www.auto-doc.fr/stc/12172673
Du coup j'y crois pas vraiment...

Vous auriez une idée d'où je peux trouver ça ?
Revenir en haut de page
Voir le profil de l'utilisateur Envoyer un message privé
RHY

Maitre


Genre: Genre:Masculin

Statut: Absent

Inscrit le: 13 Mar 2008
Messages: 6701

MessagePosté le: 18 05 2020 7:35    Sujet du message: R&eacutepondre en citant

Tu peux trouver chez Peugeot si la référence n'est pas NFP.

_________________
Si PSA n'existait pas le monde automobile serait tellement insipide.
Revenir en haut de page
Voir le profil de l'utilisateur Envoyer un message privé
steeepph

Grand Amateur




Statut: Absent

Inscrit le: 14 Fév 2010
Messages: 534
Localisation: Toulouse

MessagePosté le: 20 05 2020 23:42    Sujet du message: R&eacutepondre en citant

OK, mais il y a moyen maintenant que le service box "officiel" est fermé de savoir ça ? Sinon j'appellerai un garage pour avoir l'info.

Sinon, je viens de me rendre compte qu'un des goujons pour fixer le collecteur d'admission à la culasse est cassée, c'est un des goujons n°70 sur le schéma suivant:


Je n'ai encore rien tenté mais d'après vous, est-ce que je peux vivre avec cette vis manquante ou faut-il absolument extraire ce goujon ? (qui est en fait une vis sur l'ancien D8A)
Revenir en haut de page
Voir le profil de l'utilisateur Envoyer un message privé
RHY

Maitre


Genre: Genre:Masculin

Statut: Absent

Inscrit le: 13 Mar 2008
Messages: 6701

MessagePosté le: 21 05 2020 7:48    Sujet du message: R&eacutepondre en citant

Tu peux l'extraire avec la méthode écrou/contre écrou et en chauffant un peu,moi j'utilise un briquet pour chauffer car je n'ai pas de chalumeau:

[img]https://encrypted-tbn0.gstatic.com/images?q=tbn%3AANd9GcQMBql1ghL4DgoWzkl2ILN3b5RsGu_37i4GNfXBV8XexJhIN1Xe&usqp=CAU[/img]

_________________
Si PSA n'existait pas le monde automobile serait tellement insipide.
Revenir en haut de page
Voir le profil de l'utilisateur Envoyer un message privé
RHY

Maitre


Genre: Genre:Masculin

Statut: Absent

Inscrit le: 13 Mar 2008
Messages: 6701

MessagePosté le: 21 05 2020 7:51    Sujet du message: R&eacutepondre en citant

Ensuite si vraiment on ne peut pas mettre des écrous pour desserrer,il faut chauffer et utiliser une pince étau.
_________________
Si PSA n'existait pas le monde automobile serait tellement insipide.
Revenir en haut de page
Voir le profil de l'utilisateur Envoyer un message privé
steeepph

Grand Amateur




Statut: Absent

Inscrit le: 14 Fév 2010
Messages: 534
Localisation: Toulouse

MessagePosté le: 25 05 2020 22:31    Sujet du message: R&eacutepondre en citant

Yes c'est partit sans chauffer avec la pince à étau !

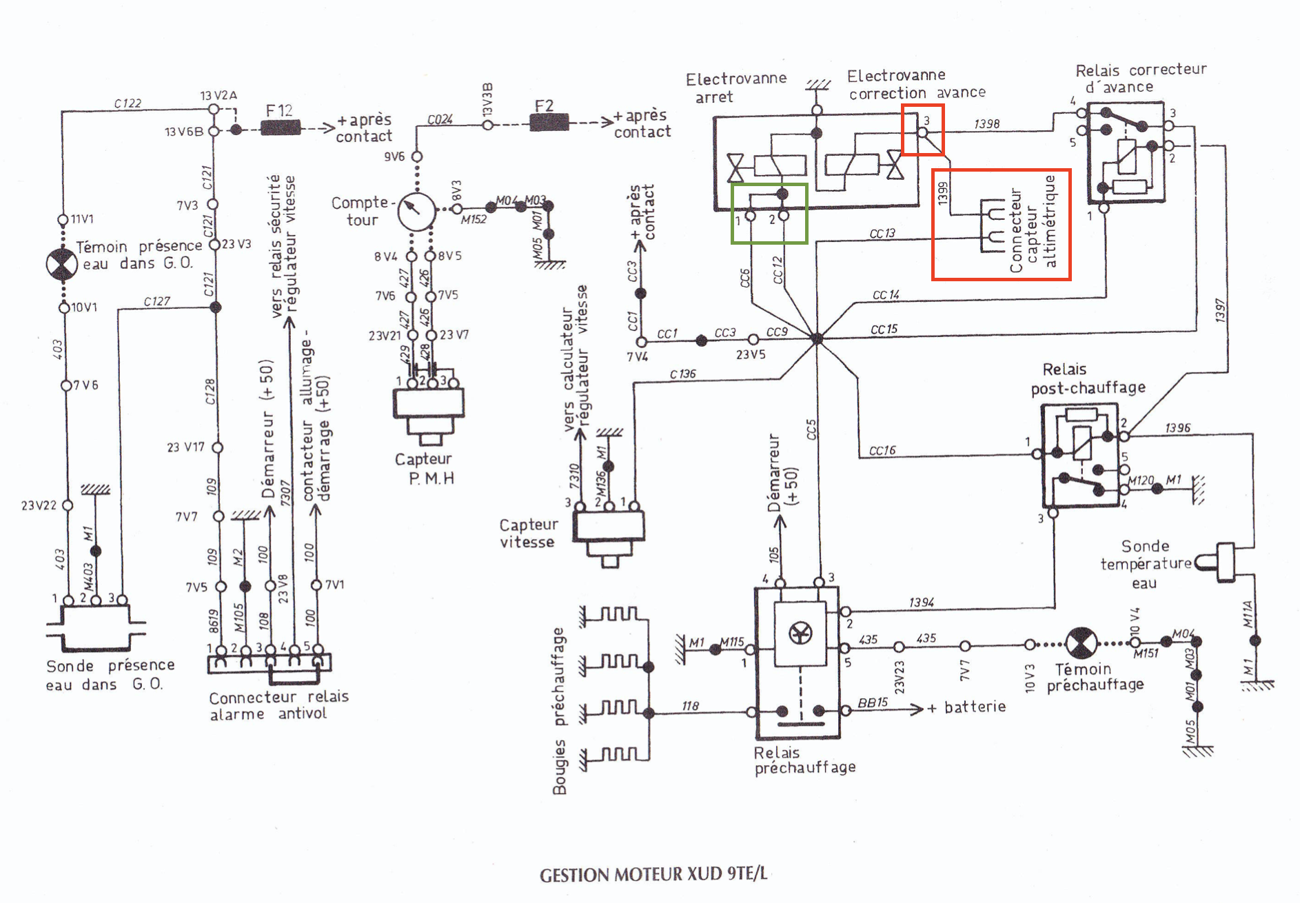
Bon et là je me pose quelques questions sur la partie électrique: en regardant le faisceau de mon D8A vs celui de la RTA au niveau de la pompe à injection, je n'ai qu'un connecteur à deux broches (il n'y a pas la 3ème broche en rouge sur le schéma) qui vont directement à l'EV d'arrêt. D'après le schéma de la RTA, je comprends que l'EV de correction d'avance est dépendante de:
- capteur altimétrique (en rouge): je crois que j'en ai pas, et j'ai pas vu bcp d'info là-dessus sur le forum, c'est utile ?
- relais correcteur d'avance et relais post-chauffage: est-ce vraiment utile vu que je n'ai pas de faisceau qui va à l'EV de correction d'avance ?



schema moteur.png, 1.46 MB
Vues 477 fois
Revenir en haut de page
Voir le profil de l'utilisateur Envoyer un message privé
steeepph

Grand Amateur




Statut: Absent

Inscrit le: 14 Fév 2010
Messages: 534
Localisation: Toulouse

MessagePosté le: 31 05 2020 22:02    Sujet du message: R&eacutepondre en citant

Ola ! Je reviens au news, avec des pas très bonnes j'ai l'impression... Avant de faire le remplissage de LDR, j'ai souhaité faire un petit nettoyage à l'eau claire avant du circuit, sauf que je me suis vite rendu compte de petites bulles présentes dans le réservoir que j'ai créé:


J'ai vidangé et purgé deux fois de la manière suivante:
- moteur éteint
- ouverture des 3 vis de purges (sur durite de radiateur de chauffage, sur réchauffeur de gazole et sur radiateur
- mise en place du cylindre de charge (bouteille d'eau ouverte à l'envers, voir sur la vidéo)
- remplissage d'eau dans le cylindre, avec fermeture des vis de purge lorsque l'eau en sort, dans cet ordre: radiateur, puis réchauffeur de gazole, puis radiateur de chauffage
- complément d'eau dans le cylindre pour qu'il soit bien remplit
- démarrage du moteur
=> la vidéo a été tournée avec moteur tiède (10-15min après un premier test avec ouverture du calorstat/déclenchement des ventilos)

Je n'ai pas eu le temps de faire un check-up complet de toutes les durites voir si elles étaient toutes bien fixées et/ou pas de trous, mais je n'ai en tout cas pas de fuite visible sous la voiture...
Est-ce que les "minis" bulles sont "normales" d'après vous ? Il y a quand même des plus grosses quand j'accélère, ça me laisse penser au pire (joint de cucu... )

Des avis ??
Revenir en haut de page
Voir le profil de l'utilisateur Envoyer un message privé
Montrer les messages depuis:   
Poster un nouveau sujet   R&eacutepondre au sujet    306INsIDe Index du Forum -> Moteur - Mécanique Toutes les heures sont au format GMT + 2 Heures
Aller à la page 1, 2  Suivante
Page 1 sur 2



 
Sauter vers:  
Vous ne pouvez pas poster de nouveaux sujets dans ce forum
Vous ne pouvez pas répondre aux sujets dans ce forum
Vous ne pouvez pas éditer vos messages dans ce forum
Vous ne pouvez pas supprimer vos messages dans ce forum
Vous ne pouvez pas voter dans les sondages de ce forum
Vous pouvez envoyer des fichiers dans ce forum
Vous pouvez télécharger les fichiers de ce forum


© 2003, 2017 306Inside.com - Tous droits réservéss